第二種電気工事士技能|リモコンリレーの別想定出題は予想されるのか
第二種電気工事士技能|リモコンリレーの別想定出題は予想されるのか
今年も第二種電気工事士技能の問題が公表された。その公表問題の中で今回注目したいのがNo8番のリモコンリレーの問題です。
問題はリモコンリレーの別想定出題は予想されるのかということです。
その前に少しリモコンリレー問題についておさらいしておきましょう。
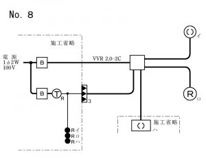
今年出題されているリモコンリレーの公表単線図はこうなっています

リモコンリレーは3個使用(試験では端子台代用)されていることがわかる。しかしながらリレーからアウトレットボックスまでの電線の仕様に関しては明記されていない。
この問題に関しては平成26年度、(あるいはそれ以前)の公表では(No13)リレー部分の電線の仕様に関して次のように明記されていた。

つまり、この公表により本試験で作成する時には1.6-2Cの電線を3本使用することがあらかじめ予想できたわけです。
ところがこのリレーからアウトレットボックスに入る電線の本数は27年以降は明記されなくなりました。
これによりリレー部分が1.6-2Cを3本使用なのか2本使用なのかが、本試験の施工条件でしか確認することができなくなりました。
明記されなかったものの、平成30年度までは1.6-2C×3の条件で出題されてきた経緯がある。多分今年も昨年と同じように3本使用ではないか・・・。と高をくくってもよいのか。
油断してはいけないリモコンリレー問題の別想定の予想
なぜ今回、別想定を予想したのか。
興味深い点として公表問題が発表されると、13問のうち、ほぼ施工と完成状態が予想できる問題がほとんどです。しかしながら施工条件により完成状態が2通りある場合も考えられる問題もあるのです。
ここで油断してはいけないというのが、昨年行われた第一種の問題で同じようなことが起きたのです。
どういうこと?
第一種でも施工条件が明記されていなかった問題で条件が明記されて出題されたのです。明記されていないため4通りの完成状態が起きうる問題でした。
2018年度第一種電気工事士技能|ついに出た!7番と10番の別想定
何を言いたいのでしょうか。
リモコンリレーの問題も別想定とされているものが出題される可能性があるということです。
それで、No8に関しては1.6-2C×3と1.6-2C×2の両方とも練習しておくことです。
以前にも取り上げましたが、技能試験の問題が公表された時、新しいタイプの問題は3年ほどは本試験では出ませんでした。これは1種でも2種でも言えたことです。
しかしながら技能試験に関しては公表問題13問がすべて出題されることになりましたので、新しいタイプとして残っているのは公表問題8番のリモコンリレーの問題ということになります。
先ほど参照した1種も昨年10問すべて出題されたのですが別想定はなかなか出ませんでした。それでも3年ほどたった昨年に別想定が出題されたのです。
そういうわけで第2種においても今年はNo8に要注意という予想にしました。
この別想定、リレーの部分の1.6-2Cを2本で仕上げる複線図から分かることはリレー代用端子台への接続で渡線(黒)が2本必要になるので覚えておきましょう。
考え方としてはNo1の片切スイッチが3つあるのと同じでNo1でも渡線が2本使用しています。しかもスイッチには1番も8番もイ、ロ、ハがあります。
今年も、13問すべてがどこかの地区で出ることは間違いありませんが、No8に関しては上期の試験を予想として注視していきたいと思います。


