第二種電気工事士学科問題の中にリモコンリレーで選択を迷うことがありませんか
この記事はアフィリエイト広告を利用しています
第二種電気工事士学科問題の中にリモコンリレーで選択を迷うことがありませんか
表題が何を言っているのか分かりませんね!
これは第二種電気工事士の学科試験のために勉強している方が4択の中からリモコンリレーだと分かるのですが、2つの写真ともリモコンリレーなのでどちらを選択すれば正解か迷ってしまうということです。
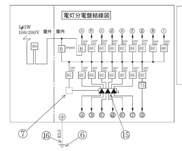
もう少し理解を深めるために実際の出題問題を考えてみましょう。2024(令和6年)年5月26日(日)に出題された学科試験の問題45のものです。問題45はどういう問題だったかと言うと
⑮で示す図記号の部分に使用される機器は。と言うものです。下記写真をご覧ください

では⑮で示す部分とはどこでしょうか?問題図面は次のようになっています

⑮の部分にはリモコンリレーが使われているのが分かります。分電盤のこの部分で分かることは200vが使われていることです。

ブレーカーとしてもBEの部分が200vになっていますし,二重丸で記されたa~fも200vを表しています。では4択の写真に戻ってみますとハ・ニがリモコンリレーと言うことになりますが

200v用のリモコンリレーは次の写真を見ていただくと

黄色いマークを付けた部分に200v用となっていることが分かるかもしれません。100V側はスイッチで言うところの片切スイッチですが、200v用は両切りスイッチになっているのが分かるかもしれませんね。
それで45番の問題の答えは 「ニ」になりますね
パナソニック 20Aフルパワーリモコンリレー 両切 分電盤用 補助c接点 DINレール取付金具付 WR61663
ECQ講習会は通年講習を行っております。ぜひご活用ください


